產品介紹 :
金剛石滾光刀具是工件表面強化鏡面加工的低成本與高效率的工藝,使用高硬度,高精度的金剛石擠壓工件表面,隨著施加的壓力超過零件材料的屈服點,零件的表面由于淺層材料的冷擠壓加工而產生塑性變形,達到滾光擠光的作用。
應用:
1.外園滾光 2.錐度滾光
3.球面滾光 4.端面滾光
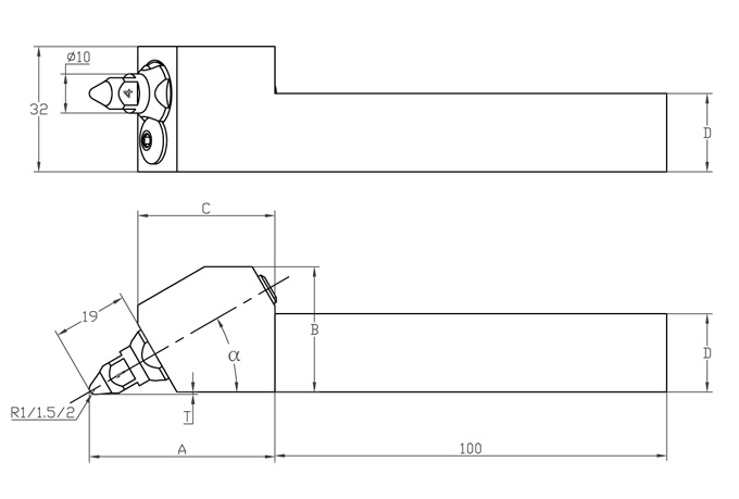
產品數據:
| 工具型號 | 角度 | 尺寸 | 刀桿 | ||
| α | A | B | C | D | |
| DY1630R** | 30 | 47.5 | 32 | 35 | 16 |
| DY2030R** | 20 | ||||
| DY1645R** | 45 | 41 | 35 | 34 | 16 |
| DY2045R** | 20 | ||||
滾壓參數:
滾壓線速度:V= 50-150m/min
進給量: S=0.05-0.2mm/rev
壓入量(內置壓力彈簧):0.01-0.5
加工余量:0.005-0.02mm




